Free Download Automation Studio Professional Edition full version standalone offline installer for Windows. It is a unique design and simulation software.
Overview of Automation Studio Professional Edition
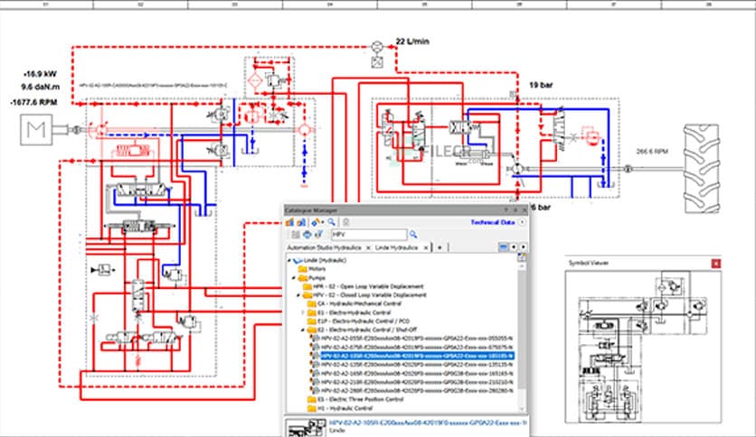
This is a unique design and simulation software covering all project/machine technologies, including fluid power, electrical, controls, HMI, and communications through the entire product lifecycle. It helps to easily combine these various technologies to design, document, and simulate complete systems.
It provides a user-friendly platform with access to built-in component libraries to help accelerate your design process. Integrated simulation capabilities make it easy to animate, analyze and validate your systems’ performance quickly. All technologies are linked together to create and simulate an entire machine.
It offers a unique combination of user-friendly system design features, advanced engineering capabilities, dynamic and realistic simulation, comprehensive animation features, and flexible documentation functions in one standard environment.
Features of Automation Studio Professional Edition
- Comprehensive sets of libraries with ISO compliant components
- Create a complete system with accurate behavior during simulation
- Create and configure valves, cylinders, motors
- Measure in real-time a wide range of parameters
- Calculation worksheets for hydraulics, pneumatics, and electrical components
- Add a touch of realism into your Virtual Twin
- Access to preconfigured & ready to simulate hydraulics and pneumatics components
- Share your schematics within your organization and clients
Technical Details and System Requirements
- Supported OS: Windows 11 / Windows 10 / Windows 8.1
- Processor: Multi core Intel Series or above, Xeon or AMD equivalent
- RAM: 8GB (16GB or more recommended)
- Free Hard Disk Space: 8GB or more recommended









Comments
Leave a comment
Your email address will not be published. Required fields are marked *